M系列-2-4-6通道-中間直通孔
ROTOFLUX的M系列,因特殊的密封圈和轉子平面設計,硬化處理和精密研磨,在高壓力液體和低轉速時,有低磨擦和低磨耗的效果。
且可長時間處待用狀態,止迴銷能讓本體不隨轉子旋轉。為了避免洩漏時會有汗染的情形,必須讓2個通道都使用同一種液體。
避免在沒有詢問我們之前,使用此旋轉接頭的最高限度使用條件和壓力激增的情況。
另有乾淨水用的特殊版本。
左右尚有資訊|
|
壓力 |
溫度 |
轉速 |
|
空氣 |
10 bar / 145 PSI |
90°C / 195°F |
200 |
|
液壓油 |
250 bar / 3625 PSI |
50 bar / 725 PSI – 250 |

左右尚有資訊|
型號 |
雙通道 |
||||||||||||||||||||
|
液壓油 |
空氣 |
B |
ø C |
ø D |
E |
ø F |
I |
L |
M |
N |
O |
ø P |
ø Q |
ø R |
ø T |
ø U |
V |
ø X |
Y |
Z |
Kg |
|
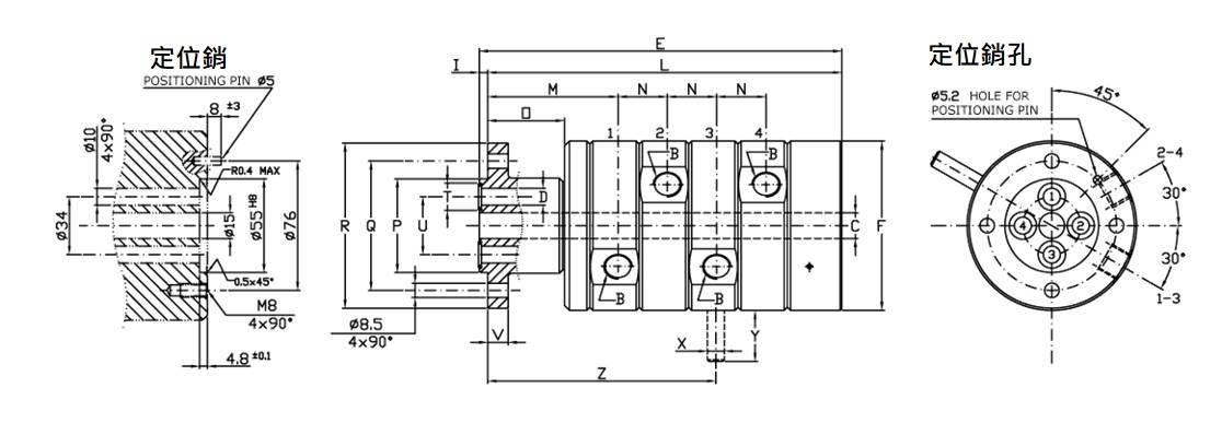
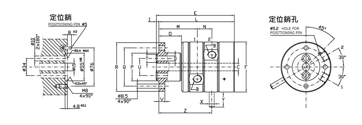
M210-200-F15 |
M210-400-F15 |
G 3/8″ |
15 |
10 2×180° |
155 |
99.5 |
5 |
150 |
76.5 |
29 |
45 |
55 |
76 |
97 |
16 |
34 |
12 |
10 |
30 |
105 |
5.5 |
左右尚有資訊|
型號 |
4通道 |
||||||||||||||||||||
|
液壓油 |
空氣 |
B |
ø C |
ø D |
E |
ø F |
I |
L |
M |
N |
O |
ø P |
ø Q |
ø R |
ø T |
ø U |
V |
ø X |
Y |
Z |
Kg |
|
M410-200-F15 |
M410-400-F15 |
G 3/8″ |
15 |
10 4×90° |
213 |
99.5 |
5 |
208 |
76.5 |
29 |
45 |
55 |
76 |
97 |
16 |
34 |
12 |
10 |
30 |
134 |
7.5 |
左右尚有資訊|
型號 |
6通道 |
||||||||||||||||||||
|
液壓油 |
空氣 |
B |
ø C |
ø D |
E |
ø F |
I |
L |
M |
N |
O |
ø P |
ø Q |
ø R |
ø T |
ø U |
V |
ø X |
Y |
Z |
Kg |
|
M610-200-F15 |
M610-400-F15 |
G 3/8″ |
15 |
10 6×60° |
271 |
99.5 |
5 |
266 |
76.5 |
29 |
45 |
55 |
76 |
97 |
16 |
34 |
12 |
10 |
30 |
163 |
9.5 |