S系列-印刷機械
此類型的旋轉接頭有2個不同的精密研磨的密封組件。
只有水溫在最高125°F (50°C)時,才能使用超過8bar的液體。
將旋轉接頭使用在最高的應用極限前,麻煩請先詢問我們。
左右尚有資訊|
壓力 |
溫度 |
轉速RPM |
|
|
水 |
50 bar / 725 PSI |
95°C / 203°F |
3500/5000 |

左右尚有資訊|
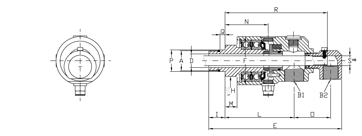
型號 |
雙通道固定式中間管旋轉接頭 |
||||||||||||||||
|
水 |
A |
B1 |
B2 |
D |
E |
F |
H |
I |
L |
M |
N |
O |
P |
Q |
R |
S H8 |
Kg |
|
S15-1292-25R-840 |
M20 X 1,5 RH |
G 1/2″ |
G 3/8″ |
13 |
149 |
55 |
SW 30 |
19 |
79,5 |
13 |
51,5 |
39,5 |
21 |
5 |
116 |
10 |
1,5 |
|
S15-1292-26L-840 |
M20 X 1,5 LH |
||||||||||||||||
|
S15-1292-04R-840 |
M20 X 1,5 RH |
G 1/2″ |
G 3/8″ |
13 |
149 |
55 |
SW 30 |
19 |
79,5 |
13 |
51,5 |
39,5 |
22 |
5 |
116 |
10 |
1,5 |
|
S15-1292-05L-840 |
M20 X 1,5 LH |
||||||||||||||||
|
S20-1292-25R-840 |
M27 X 1,5 RH |
G 3/4″ |
G 1/2″ |
18 |
174 |
64 |
SW 36 |
21 |
92 |
16 |
57,5 |
46 |
28 |
6 |
133 |
13 |
2,1 |
|
S20-1292-26L-840 |
M27 X 1,5 LH |
||||||||||||||||
左右尚有資訊|
客戶端介面 |
||||||||
|
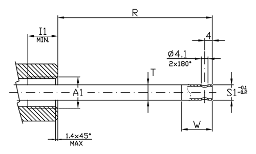
A1 |
I1 |
ø P1 H7 |
Q1 |
R |
S1 |
ø T |
W |
|
|
S15-1292-25R-840 |
M20 X 1,5 RH |
20 |
21 |
8.5 |
116 |
10 |
10 X 1 |
26 |
|
S15-1292-26L-840 |
M20 X 1,5 LH |
|||||||
|
S15-1292-04R-840 |
M20 X 1,5 RH |
20 |
22 |
8.5 |
116 |
10 |
10 X 1 |
26 |
|
S15-1292-05L-840 |
M20 X 1,5 LH |
|||||||
|
S20-1292-25R-840 |
M27 X 1,5 RH |
22 |
28 |
10 |
133 |
13 |
13 X 1 |
28 |
|
S20-1292-26L-840 |
M27 X 1,5 LH |
|||||||
左右尚有資訊|
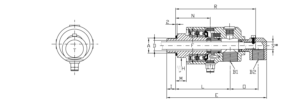
型號 |
雙通道固定式中間管旋轉接頭 |
||||||||||||||
|
水 |
A = A1 |
B1 |
B2 |
ø D |
E |
ø F |
H |
I |
L |
M |
N |
O |
R |
ø S H8 |
Kg |
|
S15-1292-23R-840 |
G 1/2″ RH |
G 1/2″ |
G 3/8″ |
13 |
145 |
55 |
SW 30 |
13 |
81,5 |
15 |
53,5 |
39,5 |
118 |
10 |
1,5 |
|
S15-1292-24L-840 |
G 1/2″ LH |
||||||||||||||
|
S20-1292-23R-840 |
G 3/4″ RH |
G 3/4″ |
G 1/2″ |
18 |
171 |
64 |
SW 36 |
16 |
94 |
18 |
59,5 |
46 |
135 |
13 |
2,1 |
|
S20-1292-24L-840 |
G 3/4″ LH |
||||||||||||||
左右尚有資訊|
客戶端介面 |
||||||
|
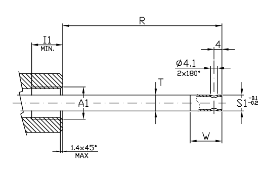
A1 |
I1 |
R |
ø S1 |
ø T |
W |
|
|
S15-1292-23R-840 |
G 1/2″ RH |
20 |
118 |
10 |
10 x 1 |
26 |
|
S15-1292-24L-840 |
G 1/2″ LH |
|||||
|
S20-1292-23R-840 |
G 3/4″ RH |
20 |
135 |
13 |
13 x 1 |
28 |
|
S20-1292-24L-840 |
G 3/4″ LH |
|||||