S系列-大流量
旋轉接頭S65、S80、S125擁有大通道,需要大流量時可選用。有碳化物和碳材質的精密研磨密封組件。
特殊設計的密封圈,需要時,可只更換密封圈,以便節省時間和維護成本。
左右尚有資訊|
壓力 |
溫度 |
轉速RPM |
|
|
水 |
10 bar / 145 PSI |
95°C / 203°F |
750 |

左右尚有資訊|
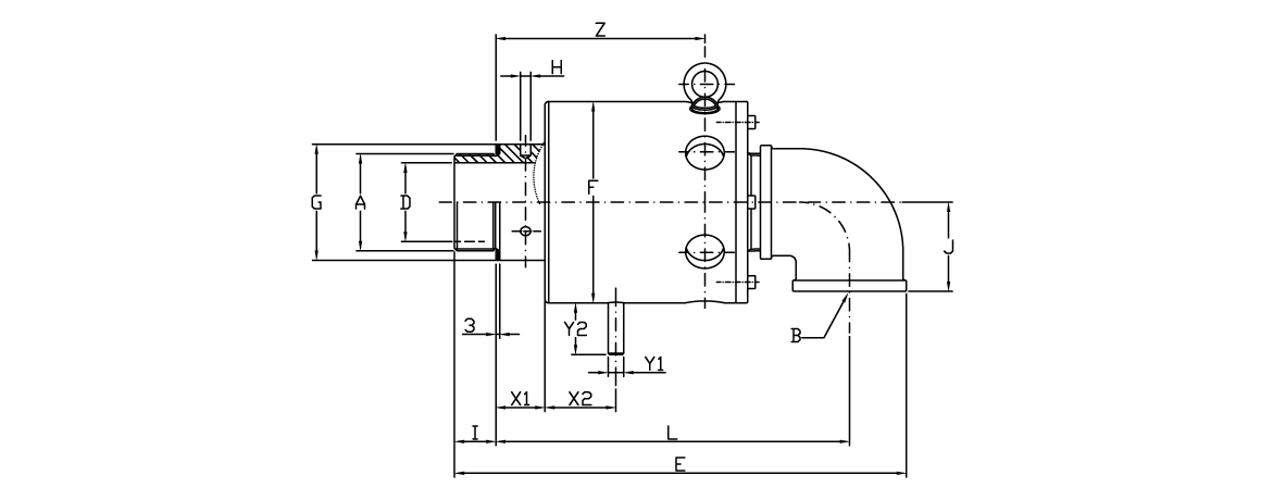
型號 |
單通道旋轉接頭 |
|||||||||||||||
|
水 |
A |
B |
ø D |
E |
ø F |
ø G |
ø H |
I |
J |
L |
X1 |
X2 |
ø Y1 |
Y2 |
Z |
Kg |
|
S65-1300-01R |
G 2″ 1/2 RH |
G 2″1/2 |
61 |
350 |
156 |
90 |
8 6×60° |
32 |
69 |
274 |
38 |
55 |
12 |
40 |
162 |
17 |
|
S65-1300-02L |
G 2″ 1/2 LH |
|||||||||||||||
|
S80-1300-01R |
G 3″ RH |
G 3″ |
73 |
412 |
188 |
110 |
10 6×60° |
37 |
78 |
321 |
45 |
66 |
12 |
40 |
195 |
23 |
|
S80-1300-02L |
G 3″ LH |
|||||||||||||||
左右尚有資訊|
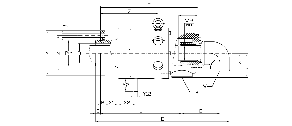
型號 |
單通道旋轉接頭 |
|||||||||||||||||
|
水 |
B |
ø D |
E |
ø F |
J |
L |
ø M |
ø N |
ø P h7 |
Q |
R |
ø S |
X1 |
X2 |
ø Y1 |
Y2 |
Z |
Kg |
|
S65-1300-03F |
G 2″ 1/2 |
62 |
350 |
156 |
69 |
290 |
139 |
110 |
80 |
16 |
14 |
13 6×60° |
40 |
55 |
12 |
40 |
178 |
18 |
|
S80-1300-03F |
G 3″ |
77 |
412 |
188 |
78 |
337 |
165 |
135 |
100 |
21 |
16 |
13 8×45° |
45 |
66 |
12 |
40 |
211 |
24 |
|
S100-1300-03F |
G 4″ |
98 |
500 |
240 |
94 |
409 |
215 |
170 |
120 |
26 |
20 |
18 8×45° |
51 |
82 |
18 |
46 |
261 |
50 |
|
S125-1300-03F |
G 5″ |
120 |
591 |
282 |
115 |
481 |
245 |
200 |
150 |
31 |
22 |
18 8×45° |
53 |
100 |
18 |
41 |
307 |
85 |
左右尚有資訊|
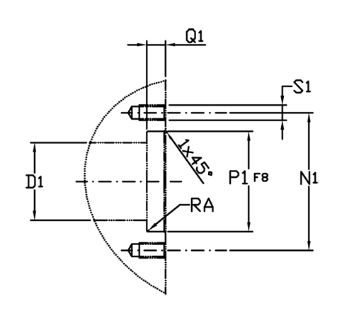
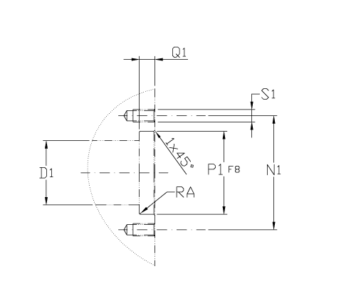
客戶端介面 |
||||||
|
ø D1 |
ø N1 |
ø P1 F8 |
RA |
Q1 |
S1 |
|
|
S65 |
62 |
110 |
80 |
0,4 |
15 |
M12 6×60° |
|
S80 |
77 |
135 |
100 |
0,4 |
20 |
M12 8×45° |
|
S100 |
98 |
170 |
120 |
0,4 |
25 |
M16 8×45° |
|
S125 |
120 |
200 |
150 |
0,4 |
30 |
M16 8×45° |
左右尚有資訊|
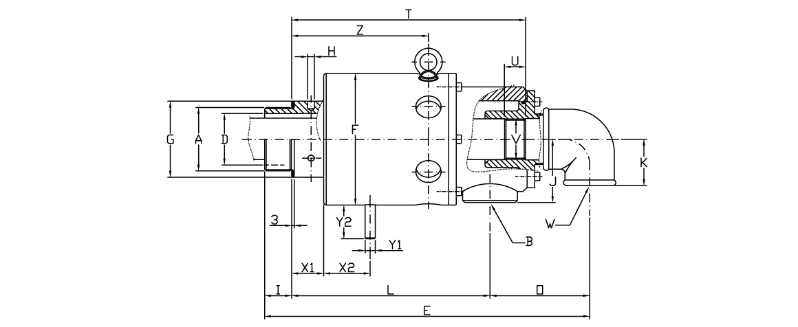
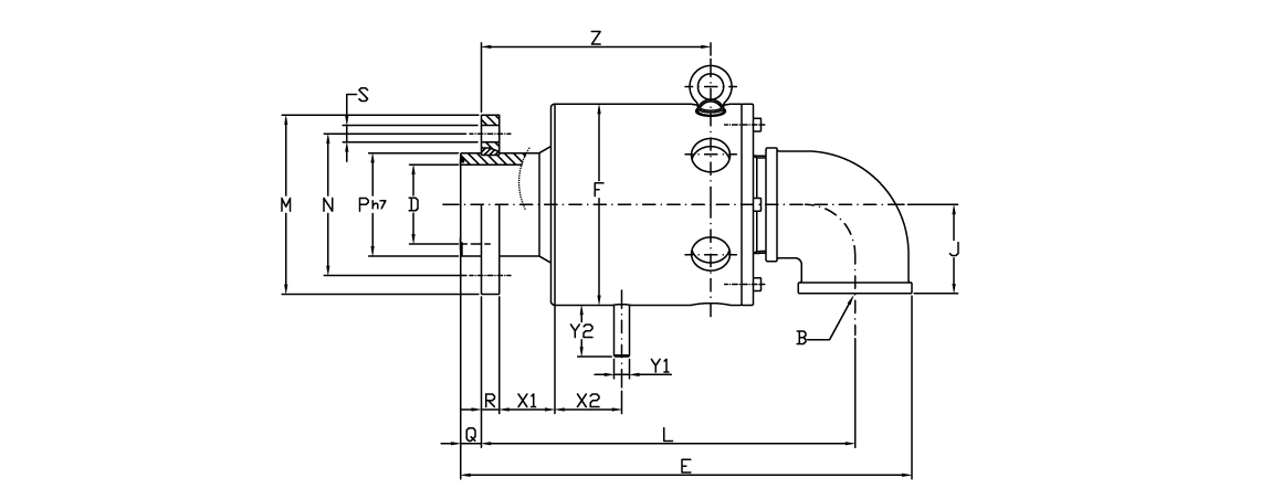
型號 |
雙通道固定式中間管旋轉接頭 |
|||||||||||||||||||||
|
水 |
A |
B |
ø D |
E |
ø F |
ø G |
ø H |
I |
J |
K |
L |
O |
T |
U |
V |
W |
X1 |
X2 |
ø Y1 |
Y2 |
Z |
Kg |
|
S65-1300-01R-800 |
G 2″ 1/2 RH |
G 1″ 1/2 |
61 |
416 |
156 |
90 |
8 6×60° |
32 |
75 |
55 |
235 |
118 |
278 |
23 |
G 1″ 1/2 |
G 1″ 1/2 |
38 |
55 |
12 |
40 |
162 |
20 |
|
S65-1300-02L-800 |
G 2″ 1/2 LH |
|||||||||||||||||||||
|
S80-1300-01R-800 |
G 3″ RH |
G 2″ |
73 |
487 |
188 |
110 |
10 6×60° |
37 |
90 |
70 |
279 |
135 |
331 |
30 |
G 2″ |
G 2″ |
45 |
66 |
12 |
40 |
195 |
28 |
|
S80-1300-02L-800 |
G 3″ LH |
|||||||||||||||||||||
左右尚有資訊|
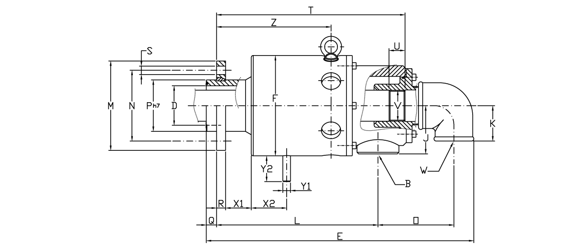
型號 |
雙通道旋轉式中間管旋轉接頭 |
|||||||||||||||||||||
|
水 |
A |
B |
ø D |
E |
ø F |
ø G |
ø H |
I |
J |
K |
L |
O |
T |
U |
V h9 |
W |
X1 |
X2 |
ø Y1 |
Y2 |
Z |
Kg |
|
S65-1300-01R-810 |
G 2″ 1/2 RH |
G 1″ 1/2 |
61 |
416 |
156 |
90 |
8 6×60° |
32 |
75 |
55 |
235 |
118 |
284 |
60 |
45,7 |
G 1″ 1/2 |
38 |
55 |
12 |
40 |
162 |
20 |
|
S65-1300-02L-810 |
G 2″ 1/2 LH |
|||||||||||||||||||||
|
S80-1300-01R-810 |
G 3″ RH |
G 2″ |
73 |
487 |
188 |
110 |
10 6×60° |
37 |
90 |
70 |
279 |
135 |
337 |
70 |
57,7 |
G 2″ |
45 |
66 |
12 |
40 |
195 |
28 |
|
S80-1300-02L-810 |
G 3″ LH |
|||||||||||||||||||||
左右尚有資訊|
型號 |
雙通道固定式中間管旋轉接頭 |
|||||||||||||||||||||||
|
水 |
B |
ø D |
E |
ø F |
J |
K |
L |
ø M |
ø N |
O |
ø P h7 |
Q |
R |
ø S |
T |
U |
V |
W |
X1 |
X2 |
ø Y1 |
Y2 |
Z |
Kg |
|
S65-1300-03F-800 |
G 1″ 1/2 |
62 |
416 |
156 |
75 |
55 |
251 |
139 |
110 |
118 |
80 |
16 |
14 |
13 6×60° |
294 |
23 |
G 1″ 1/2 |
G 1″ 1/2 |
40 |
55 |
12 |
40 |
178 |
21 |
|
S80-1300-03F-800 |
G 2″ |
77 |
487 |
188 |
90 |
70 |
295 |
165 |
135 |
135 |
100 |
21 |
16 |
13 8×45° |
347 |
30 |
G 2″ |
G 2″ |
45 |
66 |
12 |
40 |
211 |
34 |
|
S100-1300-03F-800 |
G 2″ 1/2 |
98 |
589 |
240 |
110 |
78 |
361 |
215 |
170 |
155 |
120 |
26 |
20 |
18 8×45° |
421 |
35 |
G 2″ 1/2 |
G 2″ 1/2 |
51 |
82 |
18 |
46 |
261 |
60 |
|
S125-1300-03F-800 |
G 3″ |
120 |
718 |
282 |
120 |
78 |
423 |
245 |
200 |
210 |
150 |
31 |
22 |
18 8×45° |
508 |
45 |
G 3″ |
G 3″ |
53 |
100 |
18 |
41 |
307 |
100 |
左右尚有資訊|
型號 |
雙通道旋轉式中間管旋轉接頭 |
|||||||||||||||||||||||
|
水 |
B |
ø D |
E |
ø F |
J |
K |
L |
ø M |
ø N |
O |
ø P h7 |
Q |
R |
ø S |
T |
U |
ø V H9 |
W |
X1 |
X2 |
ø Y1 |
Y2 |
Z |
Kg |
|
S65-1300-03F-810 |
G 1″ 1/2 |
62 |
416 |
156 |
75 |
55 |
251 |
139 |
110 |
118 |
80 |
16 |
14 |
13 6×60° |
300 |
60 |
45,7 |
G 1″ 1/2 |
40 |
55 |
12 |
40 |
178 |
21 |
|
S80-1300-03F-810 |
G 2″ |
77 |
487 |
188 |
90 |
70 |
295 |
165 |
135 |
135 |
100 |
21 |
16 |
13 8×45° |
353 |
70 |
57,7 |
G 2″ |
45 |
66 |
12 |
40 |
211 |
34 |
|
S100-1300-03F-810 |
G 2″ 1/2 |
98 |
589 |
240 |
110 |
78 |
361 |
215 |
170 |
155 |
120 |
26 |
20 |
18 8×45° |
430 |
80 |
74,6 |
G 2″ 1/2 |
51 |
82 |
18 |
46 |
261 |
60 |
|
S125-1300-03F-810 |
G 3″ |
120 |
718 |
282 |
120 |
78 |
423 |
245 |
200 |
210 |
150 |
31 |
22 |
18 8×45° |
518 |
100 |
87,6 |
G 3″ |
53 |
100 |
18 |
41 |
307 |
100 |
左右尚有資訊|
客戶端介面 |
||||||
|
ø D1 |
ø N1 |
ø P1 F8 |
RA |
Q1 |
S1 |
|
|
S65 |
62 |
110 |
80 |
0,4 |
15 |
M12 6×60° |
|
S80 |
77 |
135 |
100 |
0,4 |
20 |
M12 8×45° |
|
S100 |
98 |
170 |
120 |
0,4 |
25 |
M16 8×45° |
|
S125 |
120 |
200 |
150 |
0,4 |
30 |
M16 8×45° |