Products 產品介紹

首頁 / 產品介紹

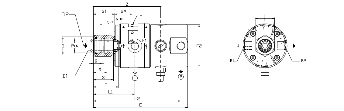
D08系列- 2種不同液體用雙通道

D08系列- 2種不同液體用雙通道

Rotoflux 的D08型號2個分別的通道,可用於2種不同液體。萬一洩漏時,2種液體也不會互相接觸或汙染。

將旋轉接頭使用在最高的應用極限前,麻煩請先詢問我們。

 左右尚有資訊

介質

通道

壓力

溫度

轉速(RPM)

過濾精度

液壓油

B1

90 bar / 1305 PSI

90°C / 195°F

5 bar / 72.5 PSI – 8000

90 bar / 1305 PSI– 0

30 μ

(MAX 60)

空氣、微量潤滑

10 bar / 145 PSI

5 bar / 72.5 PSI – 5000

10 bar / 145 PSI– 2000

乾轉

/

/

5000

/

切削液

B2

70 bar / 1015 PSI

90°C / 195°F

5000

30 μ

(MAX 60)

液壓油

空氣、微量潤滑

10 bar / 145 PSI

乾轉

/

/

/


 左右尚有資訊

編號

2種不同液體用雙通道

 

B1 – B2

D1

D2

E

ø F1

ø F2

G

H

L1

L2

ø M H7

ø N H7

D08-1120-20R

G 1/4”

24 mm2

Ø5.5  24 mm2

150

70

68

29

32

66

139

12

20.8

O

ø P g6

Q

R

S

T

X1

X2

Y

Z

Kg

 

M22x1

22

9

21.5

31.9

40

34

27.6

M4

107

1.4

 

立石堅持品質完美與責任,對產品有三大的品質承諾


POLARJET是以高品質元件組裝而成,
以確保系統的耐久性及可靠性。

立石自動控制機器股份有限公司專精研製生產高壓切削冷卻系統,以安全、節省成本、提升競爭力為經營理念,提供國內外客戶解決各種難切削材料的加工問題。