BH系列- ROTOFLUX高速、切削液、微量潤滑、空氣、乾轉應用
BH系列旋轉接頭被設計用於工具機上主軸高速旋轉的切削液通道中,或需要時乾轉。高度平衡、微研磨的密封組件,總是保持密合的狀態,在液體通過(濕式切削)和無液體通過(乾式切削)時都沒有問題。
將旋轉接頭使用在最高的應用極限前,麻煩請先詢問我們。
左右尚有資訊|
介質 |
型號 |
壓力 |
溫度 |
轉速(RPM) |
過濾精度 |
|
切削液 |
BH08 |
100 bar / 1450 PSI |
90°C / 195°F |
22000 |
60 μ (MAX 100) |
|
BH10 |
80 bar / 1015 PSI |
18000 |
|||
|
空氣、微量潤滑 |
BH08 |
10 bar / 145 PSI |
22000 |
30 μ (MAX 60) |
|
|
BH10 |
18000 |
||||
|
乾轉 |
BH08 |
/ |
/ |
22000 |
/ |
|
BH10 |
18000 |

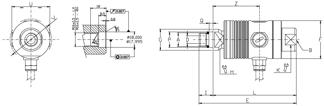
左右尚有資訊|
編號 |
90° 接頭 |
||||||||||||||
|
|
A |
B |
ø D |
E |
ø F |
ø G |
H |
I |
L |
ø P |
Q |
U |
ø V |
Z |
Kg |
|
BH08-1520-04R |
M16 X 1.5 RH |
G 1/4 " |
5 |
94 |
37 |
24.5 |
17 |
16 |
69 |
18 |
4.5 |
37.6 |
40 |
41 |
0.3 |
|
BH08-1520-05L |
M16 X 1.5 LH |
||||||||||||||
|
BH10-1720-04R |
M16 X 1.5 RH |
G 3/8 " |
9 |
114 |
44 |
24.5 |
17 |
16 |
86 |
18 |
4.5 |
43.6 |
47.5 |
53.5 |
0.5 |
|
BH10-1720-05L |
M16 X 1.5 LH |
||||||||||||||
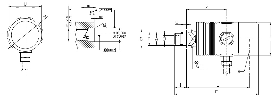
左右尚有資訊|
編號 |
直通接頭 |
|||||||||||||||
|
|
A |
B |
ø D |
E |
ø F |
ø G |
H |
K |
I |
L |
ø P |
Q |
U |
ø V |
Z |
Kg |
|
BH08-1522-04R |
M16 X 1.5 RH |
G 1/4 " |
5 |
96 |
37 |
24.5 |
17 |
24 |
16 |
80 |
18 |
4.5 |
37.6 |
40 |
41 |
0.3 |
|
BH08-1522-05L |
M16 X 1.5 LH |
|||||||||||||||
|
BH10-1722-04R |
M16 X 1.5 RH |
G 3/8 " |
9 |
114 |
44 |
24.5 |
17 |
24 |
16 |
98 |
18 |
4.5 |
43.6 |
47.5 |
53.5 |
0.5 |
|
BH10-1722-05L |
M16 X 1.5 LH |
|||||||||||||||