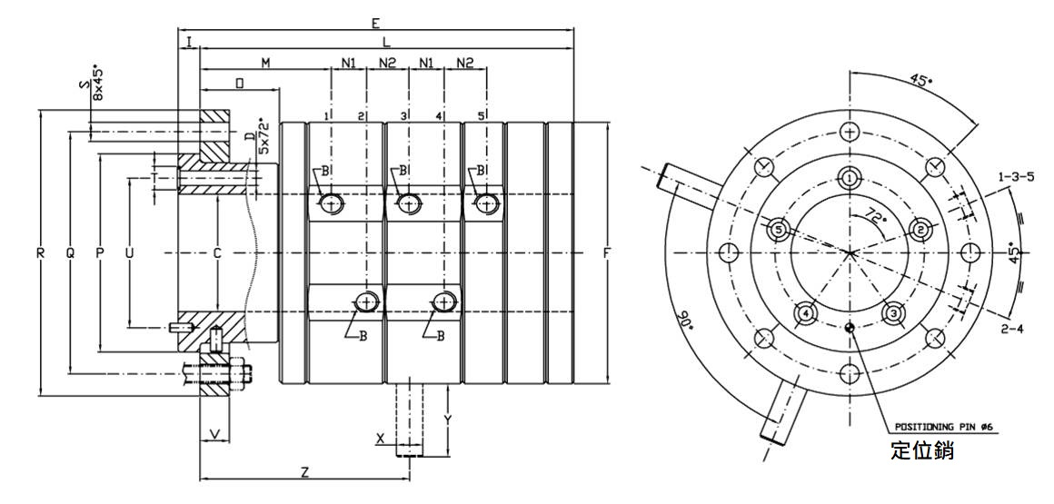
M系列-5通道-中間通孔
ROTOFLUX的M系列,因特殊的密封圈和轉子平面設計,硬化處理和精密研磨,在高壓力液體和低轉速時,有低磨擦和低磨耗的效果。
且可長時間處待用狀態,止迴銷能讓本體不隨轉子旋轉。為了避免洩漏時會有汗染的情形,必須讓2個通道都使用同一種液體。
避免在沒有詢問我們之前,使用此旋轉接頭的最高限度使用條件和壓力激增的情況。
另有乾淨水用的特殊版本。
左右尚有資訊|
|
壓力 |
溫度 |
轉速 |
|
空氣 |
10 bar / 145 PSI |
90°C / 195°F |
80 |
|
液壓油 |
250 bar / 3625 PSI |
50 bar / 725 PSI – 80 |

左右尚有資訊|
型號 |
雙通道2 |
||||||||||||||||||||||
|
液壓油 |
空氣 |
B |
ø C |
ø D |
E |
ø F |
I |
L |
M |
N1 |
N2 |
O |
ø P |
ø Q |
ø R |
ø S |
ø T |
ø U |
V |
ø X |
Y |
Z |
Kg |
|
M510-000-F80 |
M510-300-F80 |
G 3/8″ |
80 |
10 5×72° |
270 |
178 |
5 |
255 |
89.5 |
24 |
29 |
54 |
135 |
165 |
195 |
13 8×45° |
16 |
102 |
20 |
18 |
50 |
143 |
28 |
